Prepare a physical ladder diagram for given system

Assignment Help Electrical Engineering
Reference no: EM131392705

Prepare a PLC ladder program for the system of given Problem and given Figure with the following added requirements:

(1) The system should cycle 100 times and then quit, and

(2) during each cycle, there should be a 1.5-minute delay after filling before the empty phase starts. The PLC tick time is 10 ms.

Problem
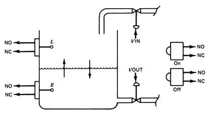
When turned ON, the tank system of Figure 44 alternately fills to level L and then empties to level E. The level switches are activated on a rising level. Both NO and NC connections are available for the level switches and the ON/OFF push buttons. Prepare a physical ladder diagram for this system.

2072_Figure 08.jpg

Reference no: EM131392705

Questions Cloud

Identify common challenges and issues that arise in work : This required Portfolio assignment will give you experience observing and interacting with people outside of the classroom. It has been designed to provide you with the opportunity to develop skills, synthesize knowledge, and integrate learning in..
Design a programmable controller program : Design a programmable controller program to solve the control problem for the process described in given Example and given Figure.
What type of rating are analysts recommending : What was the closing stock price for the last 5 days? What was the 52 Week High for this stock? What is the Book Value per Share? What type of rating are analysts recommending (i.e. buy, hold, etc.)?
Develop the physical ladder diagram for a motor : Develop the physical ladder diagram for a motor with the following: NO start button, NC stop button, thermal overload limit switch opens on high temperature, green light when running, red light for thermal overload.
Prepare a physical ladder diagram for given system : Both NO and NC connections are available for the level switches and the ON/OFF push buttons. Prepare a physical ladder diagram for this system.
What did you find truly unique about mcminns approach : The McMinn book can be divided into 2 broad "parts." The first part comprises chapters 1-2 and in those chapters, McMinn lays down a foundationfor the rest of the book. In your summary of the first 2 chapters, explain the essential elements in McM..
Which role does each person in scenario closely represent : Which role does each person in the scenario most closely represent and how do the relationships between these roles differ from how these roles are related in a typical financial statement audit?
Prepare a plc ladder program with the given requirements : Prepare a PLC ladder program with the given requirements:- When the On button is pushed, the system motor moves the arm to the rightlimit switch position and waits 30 seconds.
Develop the physical ladder diagram : Assume master NO start and NC stop buttons and that limit switches have both NO and NC contacts. The system stops if a thermal overload occurs and turns on a red light (not shown). Develop the physical ladder diagram.

Reviews

Write a Review

Electrical Engineering Questions & Answers

  Lithium ion battery technology

The paper includes Lithium ion battery technology with its advantages and disadvantages. The paper discusses about the Lithium air battery in which detailed reactions of Lithium with air including nonaqueous as well as aqueous are given.

  Power transformers and tariffs

Construction of different types of power transformer, significant energy savings

  Paper on orthogonal frequency-division multiplexing

This document is shown a paper on Orthogonal frequency-division multiplexing with advantages, disadvantages and uses.

  Function of the hmi in a scada system

This assignment contains electronics engineering questions like State the commonly found components of a SCADA (Supervisory control and data acquisition) system. and decribe the function of the HMI in a SCADA system.

  Resultant waveform of the odd harmonic series

Prepare an Excel graph showing the individual components and summated resultant waveform of the odd harmonic series resulting in an approximate square wave.

  Explain scada system

Explain the function of the HMI in a SCADA system.

  Design a 2-digit 24 second shot-clock

Design a 2-digit 24 second "shot-clock" countdown timer with pushbutton controller.

  Model a discrete-time system

To understand di erent signal models To be able to model a discrete-time system and design simple signal processing algorithms.

  Draw a relay construction diagram

Draw a relay construction diagram and briefly explain the operation of a relay.

  Frequency division multiplexing

Write a short technical report on Frequency Division Multiplexing

  Impact of electron energy

Briefly discuss the impact of electron energy, electron current and target on the Bremsstrahlung generated.

  Traffic light controller

The schematic of the traffic light controller

Free Assignment Quote

Assured A++ Grade

Get guaranteed satisfaction & time on delivery in every assignment order you paid with us! We ensure premium quality solution document along with free turntin report!

All rights reserved! Copyrights ©2019-2020 ExpertsMind IT Educational Pvt Ltd