Reference no: EM132031921
1. With reference to the block diagram of FIGURE 1, state the two conditions that must be satisfied to give an oscillatory output.

FIG. 1
2. With reference to the block diagram of FIGURE 1, determine the required value of G to give an oscillatory output if H = -10 dB.
3. FIGURE 2 shows a public address system.
(a) It is found that if the microphone is brought into proximity of the loudspeaker, the systems will ‘howl'. Carefully explain, making reference to feedback theory why this is so.
(b) Suggest two actions that could be adopted to remedy the ‘howling'.
(c) Measurements show that for a particular arrangement of the equipment and at a particular amplifier setting, the system will howl if 1% of the output power is fed back to the microphone. Estimate the power gain of the P.A. amplifier in decibels.

FIG. 2
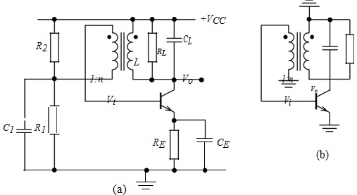
4. FIGURE 3(a) shows the circuit of an Armstrong oscillator (named after its inventor, the American engineer Edwin Armstrong in 1912). Here a transformer is used to couple the output to the input to give feedback. The transformer has a turns ratio of n:1, where n represents the primary winding.
In this particular circuit the transistor's emitter resistor is bypassed by a large capacitor at a.c. frequencies and its base is biased via the transformer windings.
FIGURE 3(b) represents the a.c. equivalent circuit of the oscillator and (c) its h-parameter equivalent circuit.
(a) Explain the significance of the transformer's dot notation in relation to the operation of the oscillator.
(b) It can be shown that the loop-gain of the oscillator at resonance is given by:
|Gloop-gain| = 1/n.(hfe/hie).R'L
where RL′ is the effective resistive load on the transistor, i.e.:
RL′ = RL //hoe // n2 ( R1 //R2 )
Estimate the required value of turns-ratio if:
R1 = 4.7 k?, R2 = 24 k?, RL = 2.7 k?, hfe = 250, hoe = 10-5 S, hie = 4 k?


Fig.3
5. FIGURE 4 shows another variation the Armstrong oscillator. A transformer with two secondary windings has been use, one to give feedback and one to give the oscillator's output.
Write a short report [two to three pages] on an investigation into the operation and performance of this circuit1.
The report should embrace, as far as you are able, the following themes:
(a) Why the output is taken via the transformer rather than directly off the collector of the transistor.
(b) The agreement between the measured and calculated quiescent voltages on the three terminals of the transistor.
(c) The agreement between the measured and calculated frequency of oscillation.
(d) The shape of the output waveform in the first 10 milliseconds of start-up.
(e) The given L1:L2 ratio is not necessarily the optimum value to give a good sinusoidal output. [A Fourier probe on the output will give a spectral response]. Try to devise an experiment to find the optimum ratio*. Express the ratio as a turns ratio.
The report should include copies of any graphical responses produced in the investigation.
*This can be done by performing an AC sweep on the inductance parameter L2. However a sweep cannot be performed without a voltage source in the circuit. For the purposes of this analysis a small voltage source can be inserted into the feedback loop as shown in the second version of the circuit on Blackboard.

Fig.4