Evaluate the effect of the water spray on efficiency

Assignment Help Mechanical Engineering
Reference no: EM135308

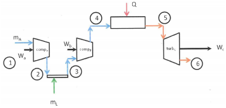
The given figure depicts an indirectly fired gas turbine engine. In the gas turbine engine, air is compressed to a high pressure and then heat is added. The high pressure, high temperature air is then expanded during a turbine with power being extracted. To a first estimate, the compressor and turbine may be treated as adiabatic. In a typical gas turbine, the fuel is added to the air and combusted and it is really the combustion products that pass during the turbine. In the obliquely fired turbine, as is used in this problem, the air is heated with a heat exchanger which allows heat sources that could or else not be used (e.g. solar, coal, etc.). The net work out of the gas turbine engine is the work out of the turbine less the work into the compressor. In a real engine these devices are generally all coupled on a common shaft.

Since the work of compression decreases the total work out, anything you can do to decrease the compression work will increase the net work out. One way to do that is to cool the air being compressed. The attached diagram shows a proposed system where the compression is divided into two stages and liquid water is sprayed into the air to cool it between the two stages. It is proposed that this approach may increase power output and increase efficiency. Your task is to determine if this approach is thermodynamically feasible. You may neglect the pressure drops between components and within the heat exchanger and you can neglect kinetic energy. The subsequent design parameters are provided. For these design parameters, evaluate the effect of the water spray on efficiency (net work out divided by heat input) and net power out per kg/s of dry air coming into the turbine. Do this for a range of water spray inputs from 0 up to the amount needed to achieve 70% relative humidity at point

3.

Point 1

T= _20C______

P= _0.85 bar______

O = __50%_____

Point 2

P= __3.5 bar_____

Point 3

P= ___10.0 bar_____

Point 4

T=__1220K_______

Point 5

P= P1

Compressor A: ηisen = __0.87___ Compressor B: ηisen = _0.83____ Compressor C: ηisen = __0.93

180_Evaluate the effect of the water spray on efficiency.png

Reference no: EM135308

Questions Cloud

Determine autocorrelation function of a rectangular pulse : Prepare the sketch the Fourier transform of a rectangular pulse of amplitude 10 V and width 0.1 second that is centered on the zero time axis. Determine the autocorrelation function of a rectangular pulse.
What kind of relationship exists among employees : What kind of relationship exists among employees’ scores on the manual dexterity tests as well as their performance rating
What is the profit maximizing number of gizmo widgets : What is the profit maximizing number of Gizmo Widgets that should be introduced? Be sure to account for the fact that Gizmo Widgets displace other kinds of widgets. Again, be sure you provide a brief explanation of your approach/reasoning.
Evaluate the effect of the water spray on efficiency : Evaluate the effect of the water spray on efficiency (net work out divided by heat input) and net power out per kg/s of dry air coming into the turbine.
Nibco''s big bang - an sap implementation : Analyze Case Study - NIBCO's 'Big Bang': An SAP Implementation- Explain the pros and cons of the approach to implementation decided upon by NIBCO.
Describe a management performance plan that links action : Describe a management performance plan that links action plans to the following issues- o Motivation o Empowerment o Training
Determine power series values : Determine power series values for common scientific and engineering functions and Obtain the Maclaurin series for the following functions. State the values of the x which the series converge.

Reviews

Write a Review

 

Mechanical Engineering Questions & Answers

  Package design

Package Design Brief: Assume you are the packaging engineer for a large consumer products company. In this company, the Packaging Design Briefs are initiated by the marketing group and forwarded to the Package Engineering group.

  Mechanical engineering questions

Define dynamic viscosity, Determine the centroid, Pressure due to the height of liquid, Advantage of changing the liquid, Calculate the total moment about the hinge of the seal gate.

  Automatic control

DOF system and Find the differential equation describing the system

  Write a paper on boyle''s law

Write a paper on Boyle's law and describe Compression and Combustion stroke . Also explain Charles's law and illustrate SI engine and CI engine.

  Verify the law for parallelogram of forces

To Verify the law for parallelogram of forces, law for triangle of forces and law of polygon of forces. These laws are very useful to calculate unknown forces in very short time.

  Discharge pressure of the compressor

What is the discharge revised discharge pressure of the compressor.

  The Case for Global Accounting Standards

The role of IFRS in both developing and developed capital markets.

  Wind turbine

Wind turbines are becoming more and more common as a method of energy production, wind turbines by their very nature are dynamic and are subject to and create their own internal and external kinematics and kinetics.

  Advanced design methodologies

8 x product engineering and design review (week 2 – 12), ~3 pages per item which must contain a brief description of the product then delve into concepts such as materials selection, manufacturing methods, life cycle analysis, recyclability and overa..

  Design of absorption column and the cooler

Design of absorption column and the cooler. Process design of other units should be completed along with pipe sizes.

  Determine the maximum total bending moment

Determine maximum total bending moment (static plus dynamic) of the beam under steady-state conditions.

  Force of the water on the gate

Determine the magnitude of the horizontal and vertical components of the force of the water on the gate.

Free Assignment Quote

Assured A++ Grade

Get guaranteed satisfaction & time on delivery in every assignment order you paid with us! We ensure premium quality solution document along with free turntin report!

All rights reserved! Copyrights ©2019-2020 ExpertsMind IT Educational Pvt Ltd