Difference between labor cost and labor pro-ductivity

Assignment Help Civil Engineering
Reference no: EM134407

Question 1. What is the difference between labor cost and labor pro-ductivity? Use a sketch to illustrate.

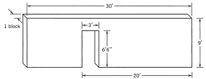
Question 2. The partition wall shown below is to be constructed of 8 × 16 × 6 block. Estimate the cost of the wall to include labor, materials, and contractor O&P using the R. S. Means building cost data or other appropriate estimating reference. The job is located in Cincinnati, Ohio.

2313_Difference between labor cost and labor pro-ductivity.png

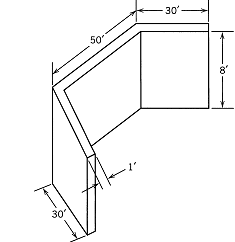
Question 3. Given the bridge abutment shown here, determine the number of man-hours required to form the structure using data from R. S. Means or other appropriate reference.

700_Difference between labor cost and labor pro-ductivity1.png

Reference no: EM134407

Questions Cloud

Determine the stability status for the digital system : Sketch the z-plane pole-zero plot and determine the stability status for the following digital system.
What is the turntables angular speed as the block : What is the turntables angular speed as the block
Create a swot analysis : Create a SWOT analysis Define a strategic management plan, using SWOT analysis
What is amplitude of the subsequent oscillations : What is amplitude of the subsequent oscillations
Difference between labor cost and labor pro-ductivity : Determine the number of man-hours required to form the structure using data from R. S. Means or other appropriate reference. What is the difference between labor cost and labor pro-ductivity?
What minimum force requires for door to hold it open : What minimum force requires for door to hold it open
Compute the payback period : Given the following cash flows compute the payback period
Where is center of mass of the system : Where is center of mass of the system
What is torque exerted by the fish about an axis : What is torque exerted by the fish about an axis

Reviews

Write a Review

Civil Engineering Questions & Answers

  Engineering ethics and ethical issue

what is the engineering ethics course where to write about any engineering ethical case and discuss the ethical issue?

  Engineering ethics and concept and cases

what is the engineering ethics case related to civil engineering with reference and discuss all the engineering ethics issues which covered the "Engineering etics concepte and cases?

  Transportation and management

In the construction management, there is a lot of procurement route that are necessary and suitable for the construction industry.

  Supporting Investment Promotion: ERNST & YOUNG

Ernst & young is currently providing support to various sectors. In this regards it was felt that if this report is able to document good practices currently being adopted or planned in ceramic sector.

  Personalized Cancer Therapy-A step forward

Cancer is the uncontrolled growth of abnormal cells in the body resulting in tumours that can be benign or malignant (cancerous cells). A proper treatment is necessary to fight with this serious disease.

  Discuss the different environmental companies

Discuss the different agencies, institutes, centers, different environmental companies that are active in UAE.

  Develop a simple urban constructed wetland design

Develop a simple urban constructed wetland design.

  Evaluate company performance in relation to GRI standards

Evaluate company performance in relation to GRI standards and comment on Stigler's theory.

  Water system design

Determine the corresponding error in the computed discharge

  Hydraulic behaviour in open channel

Describe how test flumes and associated equipment are used to assess and confirm hydraulic behaviour in open channel

  Write a paper on steel sustainability

Write a paper on steel sustainability.

  Writing case study about bridge collapse

Writing case study about bridge collapse

Free Assignment Quote

Assured A++ Grade

Get guaranteed satisfaction & time on delivery in every assignment order you paid with us! We ensure premium quality solution document along with free turntin report!

All rights reserved! Copyrights ©2019-2020 ExpertsMind IT Educational Pvt Ltd