Thevenin's Theorem
Thevenin's theorem gives a useful tool when solving complex and large electric circuits by reducing them to the single voltage source in the series with a resistor. It is advantageous where a single resistor or load in a circuit is subject to change.
Formally, the Thevenin's theorem can be stated as "Any 2-terminal linear electric circuit consisting of resistors and sources, can be re- placed by an equivalent circuit containing a single voltage source in series with a resistor connected across the load."
In the circuit diagrams shown in Figure, the current IL through the load resistance RL is the same. Thus the circuits are equivalent as far as load resistor RL is concerned.

Figure----Illustration of Thevenin's theorem.
The following steps provides procedure to simplify an electric circuit by using Thevenin's theorem here VTH and RTH are the Thevenin's voltage and Thevenin's resistance respectively.
1. Remove load resistance RL.
2. VTH is the open circuit (OC) voltage across load terminals
Example
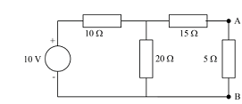
Use Thevenins theorem to find out the current through the resistance in the circuit diagram of Figure given below.
To evaluate RTH, remove load resistance of and replace 10 V voltage source by its internalresistance as shown in Figure (a).
Determination of Thevenin's voltage, VTH and Thevenin's resistance, RTH.
RTH is given by
To determine VTH or Voc across the OC load terminals, note in Figure (b) that voltage across the 20Ω resistance is the same as Voc since the right loop is open and no voltage drop occurs across the 15Ω resistance I15Ω=0 .
The 10Ω and 20Ω resistors are in series thus VDR can be employed to determine the Voc
The Thevenin's equivalent circuit can be drawn as shown in Figure. The load resistance of5Ω is inserted back between terminals A and B and the load current can be found as stated below
Figure----Thevenin's equivalent circuit for Figure across the 5Ω load resistance.
Email based Thevenin Theorem assignment help - Thevenin Theorem homework help at Expertsmind
Are you finding answers for Thevenin Theorem based questions? Ask Thevenin Theorem questions and get answers from qualified and experienced Circuit Theory tutors anytime from anywhere 24x7. We at www.expertsmind.com offer Thevenin Theorem assignment help -Thevenin Theorem homework help and Circuit Theory problem's solution with step by step procedure.
Why Expertsmind for Circuit Theory assignment help service
1. higher degree holder and experienced tutors
2. Punctuality and responsibility of work
3. Quality solution with 100% plagiarism free answers
4. On Time Delivery
5. Privacy of information and details
6. Excellence in solving Circuit Theory queries in excels and word format.
7. Best tutoring assistance 24x7 hours